

A3 Electric Bollard
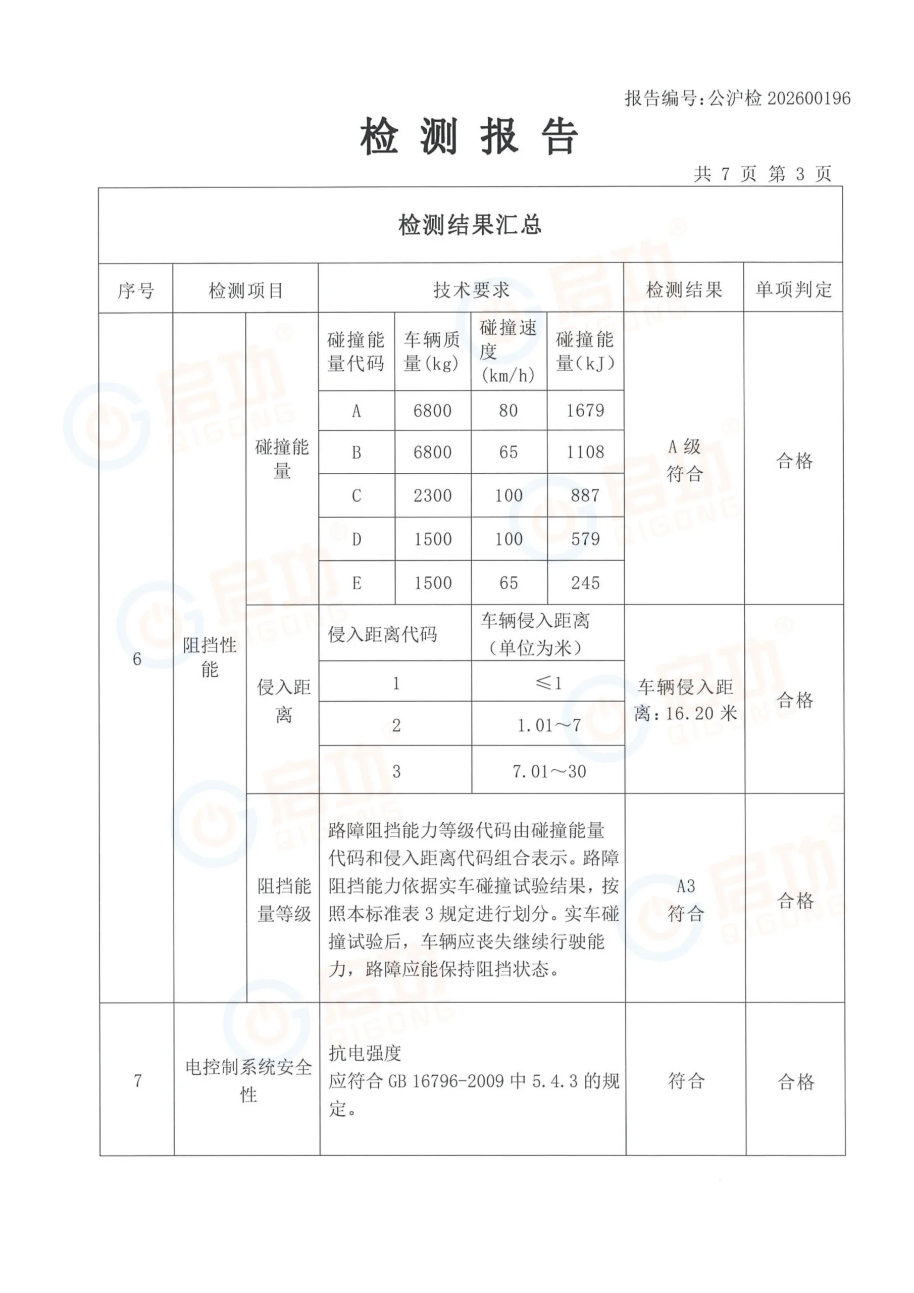
The QiGong A3-Level Automatic Bollard features a reinforced anti-collision structure capable of withstanding a 6,800 kg vehicle impact at 80 km/h, maintaining integrity even under extreme conditions.
It is designed for high-security environments such as government facilities, airports, data center, military zones, industrial parks, and commercial complexes, providing a reliable physical barrier and intelligent access control solution.
Electric Bollards Production Workshop



Electric Bollards Technical Parameters
- Stainless Stcel Column Dismeter.219mm
- Stainless Steel Column Thickness: 20mm ± 0.5mm
- Stainless Steel Bollard Lift Height: 1000mm
- Stainless steel post material: 304 stainless steel
- Surface treatment: Polishing, Brushing
- Embedded Cylinder Height: 1665mm
- Embedded cylinder thickness:10mm
- Overlapping part size:511mm
- Thickened flange: 30mm
- Flange:508mm
- Warning sign: 3M reflective tape
- Lift Time: 7-8 seconds
- Movement waterproof rating:IP68
- Safety voltage: 220V
- Motor Power: 750W
- Protection Rating: IP68
A3 Automatic Bollard
A3 hydraulic automatic bollard is automatic security barrier systems.The product passed the crash test of the Chinese standard (GAIT 1343-2016) “Anti-riot Lifting Vehicle Road Stop” in March 2026.






Contact us Let's start talking about cooperation
You can always trust QIGONG®